SK雙路輸送閥
丁寶勤 13906276368(技術)
電話:0513-88400999 傳真:0513-88400998 郵箱:jszk@vip.163.com

一、用途
SK雙路輸送閥適用于建材、冶金、礦山、石化、電力、輕工等行業,用于高壓氣力輸送水泥、水泥生料、石灰石、煤粉等粉狀物質的管道系統中,起輸送換向的作用,一般安裝在管道的分叉部位。
二、結構特點
SK雙路輸送閥內部換向采用旋轉閥盤,由調壓裝置控制閥盤與密封面的吻合,閥盤外形采用刀口形式,以便在運動中切除密封面上的附著物,保證密封性能。雙路輸送閥結構完善,換向靈活、可靠,氣密性好,耐磨損等,且輸送通道平滑光潔、無卡阻,確保流體通暢。S為蝸輪傳動式,D為電動傳動式,Y為電液動傳動式。
三、規格:
SK兩路輸送閥有8個規格,其中76mm(3")至 152.4(6")的閥與40號壁系列的管子內徑相匹,配 203mm( 8")到356mm( 14")的閥與30號壁厚系列的管子內徑相匹配,SK閥操作桿左裝和右裝兩種型式有手動及電動的兩種操作,溫度可達204℃(400℉)。
四、工作原理
SK雙路輸送閥主要由左、右閥體,旋轉閥盤,調節裝置,密封面及定位凸輪等部件組成。人工手動操作手輪帶動蝸輪附驅動操作桿,閥盤一起動作,是閥體處于直通或支路位置,刻度盤反饋閥盤位置;當驅動裝置得到指令動作時,帶動操縱桿,閥盤一起動作,使閥體處于直通或支路位置,同時反饋位置信號,定位凸輪機構在閥盤到為時,動作電氣開關,反饋信號。
五、型號編制說明
SKK—150 S蝸輪傳動、D電動、Y電液動
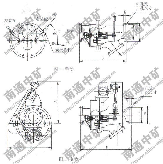
六、外形尺寸

七、性能參數
工作壓力 | 適用溫度 | 適用介質 |
0.5MPa | ≤200℃ | 煤粉、生料、水泥等粉粒狀物料 |
八、外形圖

下一頁:DXV-F(Y)星形卸灰閥










